máy thổi khí dùng trong công nghiệp
Giới thiệu Máy thổi khí Wonsmart, máy thổi khí hoàn hảo dùng trong công nghiệp! Với những tính năng vượt trội, sản phẩm này chắc chắn sẽ làm mưa làm gió trên thị trường.

Giơi thiệu sản phẩm
|
Tên thương hiệu: Wonsmart |
Áp suất cao với động cơ không chổi than dc |
|
Loại máy thổi: Máy thổi ly tâm |
Các ngành công nghiệp áp dụng: Nhà máy sản xuất |
|
Loại dòng điện: DC |
Chất liệu lưỡi dao: nhựa |
|
Lắp đặt: Quạt trần |
Điện áp: 24vdc |
|
Nơi xuất xứ: Chiết Giang, Trung Quốc |
Mức ồn:47-72dba |
|
Chứng nhận: CE, RoHS,REACH,ETL |
Bảo hành 1 năm |
|
Dịch vụ hậu mãi được cung cấp: Hỗ trợ trực tuyến |
Áp suất tĩnh: 13,5kPa |
|
Bộ điều khiển: bên ngoài |
Cấp tốc độ:26000-28000vòng/phút |
|
Chất liệu vỏ: PC |
Trọng lượng: 800g |
|
Loại động cơ:Động cơ không chổi than ba pha DC |
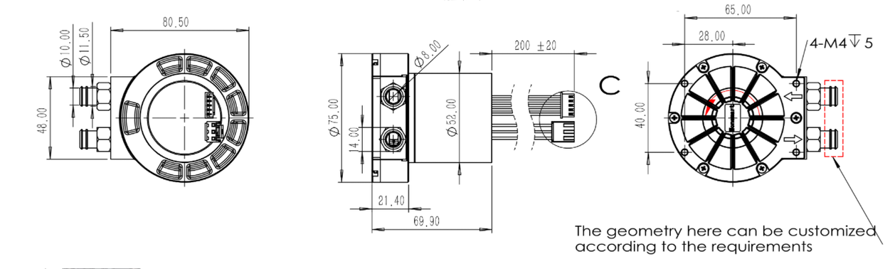
Kích thước đơn vị: D90mm*H70mm |
Thông số sản phẩm
|
Loại động cơ |
Không chổi than ba pha |
|
Loại mang |
Vòng bi NMB |
|
Cặp cực động cơ |
2 |
|
Kháng pha đến pha |
{{0}}.56~0.62[ohm] |
|
Pha cảm ứng sang pha |
{{0}},40~0,46mH |
|
Lớp cách nhiệt |
Lớp F |
|
Lớp bảo vệ |
IP51 |
|
Nhiệt độ hoạt động |
-20 deg.C~+60.deg.C(Không ngưng tụ) |
|
Thời gian sử dụng dịch vụ (MTTF): |
>10,000giờ (dưới 25 độ C) |
|
Cảm biến Hall |
120 |
|
Tần số cảm biến tốc độ @hall |
1HZ=60r/phút |
|
Phiên bản 24V chọn 24VDC-8Nhà cung cấp điện |
|
Vẽ

Hiệu suất thổi
Máy thổi WS{0}}Máy thổi S300 có thể đạt lưu lượng gió tối đa 115L/phút ở áp suất 0 kpa và áp suất tĩnh tối đa 13,5Kpa. Hiệu suất điểm tải khác tham khảo đường cong PQ bên dưới:

Mô tả Sản phẩm
Một trong những tính năng chính của máy thổi khí này là cửa thoát khí kép, cho phép phân phối không khí hiệu quả hơn. Với tốc độ dòng khí 115L/phút và áp suất không khí 28kpa, nó có thể xử lý ngay cả những ứng dụng công nghiệp đòi hỏi khắt khe nhất. Và với độ ồn chỉ 47-72dba, nó sẽ không ảnh hưởng đến năng suất làm việc.
Lưỡi của máy thổi khí này được làm bằng nhôm, đảm bảo độ bền và tuổi thọ cao ngay cả trong môi trường công nghiệp khắc nghiệt. Ngoài ra, máy thổi rất dễ lắp đặt và vận hành, khiến nó trở thành một lựa chọn không rắc rối cho các nhà sản xuất.
Trong ngành công nghiệp máy thổi pin nhiên liệu, hiệu quả là yếu tố then chốt. Đó là lý do tại sao Wonsmart Blower là một tài sản quý giá như vậy. Động cơ mạnh mẽ nhưng hiệu quả của nó có thể đáp ứng nhu cầu cao của hệ thống pin nhiên liệu, đảm bảo chúng hoạt động ở hiệu suất cao nhất. Và với nguồn cung cấp không khí được điều chỉnh chính xác, pin nhiên liệu có thể được làm mát hiệu quả hơn, kéo dài tuổi thọ của chúng.
Nhưng không chỉ ngành công nghiệp pin nhiên liệu mới có thể hưởng lợi từ Máy thổi Wonsmart. Bất kỳ nhà sản xuất nào cần một chiếc máy thổi khí đáng tin cậy dùng trong công nghiệp đều có thể tin tưởng vào sức mạnh và độ bền của sản phẩm này. Cho dù bạn làm trong ngành sản xuất điện tử, công nghiệp ô tô hay bất kỳ lĩnh vực nào khác đòi hỏi luồng không khí mạnh, Máy thổi Wonsmart đều có thể đáp ứng.
Tóm lại, Wonsmart Blower là một sản phẩm có chất lượng và hiệu suất vượt trội. Ổ cắm kép, động cơ mạnh mẽ và kết cấu bền bỉ khiến nó trở thành máy thổi khí lý tưởng cho mục đích sử dụng công nghiệp. Và trong ngành công nghiệp máy thổi pin nhiên liệu, nó là yếu tố thay đổi cuộc chơi, mang lại hiệu quả và khả năng kiểm soát tuyệt vời. Với Máy thổi khí Wonsmart, bạn có thể tin tưởng rằng nhu cầu về luồng không khí công nghiệp của bạn sẽ được đáp ứng tốt.
So với động cơ cảm ứng xoay chiều, động cơ DC không chổi than có những ưu điểm sau:
1. Hiệu suất cao hơn: Không giống như động cơ cảm ứng xoay chiều yêu cầu độ trượt để tạo ra mô-men xoắn, động cơ DC không chổi than đạt được mô-men xoắn cao mà không có độ trượt, mang lại hiệu suất tốt hơn. Ngoài ra, chúng sử dụng ít năng lượng hơn và tỏa ít nhiệt hơn, tăng tuổi thọ và giảm chi phí bảo trì.
2. Mật độ công suất cao hơn: Động cơ DC không chổi than có tỷ lệ công suất trên trọng lượng cao hơn động cơ cảm ứng xoay chiều, khiến chúng trở nên lý tưởng cho các ứng dụng có không gian hạn chế hoặc cần động cơ nhỏ hơn để đạt được công suất đầu ra cần thiết.
3. Điều khiển chính xác hơn: Động cơ DC không chổi than cung cấp khả năng điều khiển chính xác và nhạy bén về tốc độ và mô-men xoắn, khiến chúng trở nên lý tưởng cho các ứng dụng chính xác như robot, thiết bị y tế và công nghệ hàng không vũ trụ.
4. Vận hành êm hơn: Động cơ DC không chổi than hoạt động êm hơn động cơ cảm ứng xoay chiều nhờ chuyển mạch bên trong, giúp loại bỏ nhu cầu sử dụng chổi than bên ngoài.
5. Giảm EMI: Động cơ DC không chổi than phát ra ít nhiễu điện từ hơn động cơ cảm ứng xoay chiều, khiến chúng trở nên lý tưởng cho các ứng dụng quan tâm đến EMI, chẳng hạn như trong thiết bị y tế, thiết bị liên lạc và các thiết bị điện tử nhạy cảm khác.
Vấn đề cần chú ý
Máy thổi của chúng tôi được thiết kế chú trọng đến sự an toàn. Chúng tôi đặc biệt khuyên bạn không nên sử dụng áp suất tối đa làm điểm làm việc vì điều này có thể dẫn đến luồng khí thấp đến mức nguy hiểm. Thay vào đó, chúng tôi khuyên bạn nên tìm một điểm làm việc có đủ luồng không khí và áp suất để đảm bảo an toàn cho bạn.
Để giúp kéo dài tuổi thọ của máy thổi, chúng tôi khuyên bạn nên thêm bộ lọc vào đầu vào. Điều này sẽ giúp ngăn bụi bẩn và các hạt nhỏ khác xâm nhập vào máy thổi và khiến máy hoạt động kém hiệu quả hơn. Máy thổi sạch có nghĩa là hiệu suất lâu dài hơn và chi phí bảo trì thấp hơn.
Cuối cùng, điều quan trọng cần lưu ý là máy thổi của chúng tôi được thiết kế để chạy theo hướng ngược chiều kim đồng hồ (CCW). Đây là hướng chạy tối ưu của cánh quạt và sẽ giúp máy thổi đạt được hiệu suất và hiệu suất tối đa. Bằng cách làm theo những khuyến nghị này, bạn có thể đảm bảo rằng máy thổi của bạn hoạt động an toàn, hiệu quả và hiệu quả trong nhiều năm tới.
Hồ sơ công ty
Công ty quạt động cơ Ninh Ba Wonsmart là nhà sản xuất chuyên nghiệp, tập trung vào động cơ dc không chổi than cỡ nhỏ và máy thổi dc không chổi than. Luồng khí tối đa của máy thổi của chúng tôi đạt 200 mét khối mỗi giờ và áp suất tối đa 60 kpa. Với các bộ phận chất lượng cao và quy trình sản xuất chính xác, động cơ và máy thổi WONSMART có thể hoạt động hơn 20,000 giờ.
Được thành lập vào năm 2009, Wonsmart đã có tốc độ tăng trưởng nhanh chóng 30% mỗi năm và các sản phẩm của chúng tôi được sử dụng rộng rãi trong máy đệm khí, máy phân tích điều kiện môi trường, y tế và các thiết bị công nghiệp mang tính cách mạng khác.
Thiết bị sản xuất và kiểm tra của Wonsmart bao gồm máy cuộn tự động, máy cân bằng và máy CNC. Chúng tôi cũng có thiết bị kiểm tra luồng không khí và áp suất cũng như thiết bị kiểm tra hiệu suất động cơ. Tất cả các sản phẩm đều được kiểm tra 100% trước khi giao hàng để đảm bảo tất cả các sản phẩm đến tay khách hàng với chất lượng hài lòng.
Wonsmart được chứng nhận bởi ISO 9 0 0 1 và ISO 1 3 4 8 5, chúng tôi chú trọng đến chất lượng sản phẩm và dịch vụ khách hàng. Đội ngũ chuyên nghiệp và nhanh nhẹn của chúng tôi có cùng mục tiêu là trở thành một trong những nhà cung cấp động cơ và máy thổi không chổi than tốt nhất.Wonsmart đã nhận được một số chứng nhận bằng sáng chế và được vinh danh là doanh nghiệp công nghệ cao, trung tâm công nghệ kỹ thuật.
Với chứng nhận ETL,CE, ROHS, REACH, 60% sản phẩm của Wonsmart được xuất khẩu sang Bắc Mỹ, EU, Nhật Bản và Hàn Quốc. Khách hàng từ các quốc gia này rất hài lòng với chất lượng ổn định, giao hàng nhanh và giá cả hợp lý của Wonsmart.
Chúng tôi cũng chấp nhận các dự án ODM và OEM và đặc điểm kỹ thuật tùy chỉnh.
Xin cứ thoải mái liên lạc với chúng tôi.
Chú phổ biến: máy thổi khí công nghiệp, máy thổi khí công nghiệp Trung Quốc nhà cung cấp, nhà sản xuất, nhà máy








